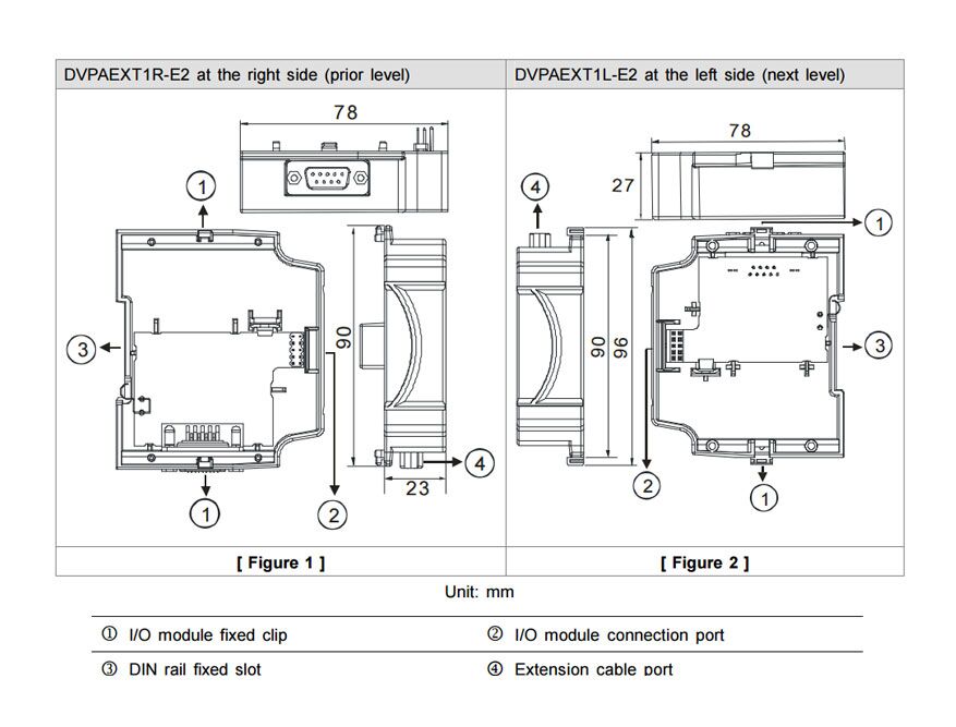
Delta DVPAEXT01-E2 DVP-EX Series PLC